AHX640W-315C28R Tasojyrsin MITSUBISHI Tiheä
- Valuraudan tehokkaaseen jyrsintään.
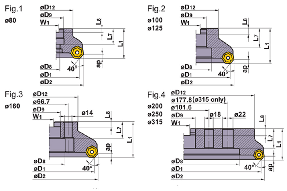
- AHX640W valuraudalle erityisesti suunniteltu, tehokas ja luotettava jyrsin jossa kustannusedullinen 14-särmäinen kääntöterä.
- Tukeva teräpalan kiilakiinnitys (AFI), jolloin kääntö ja vaihto on helppoa.
- Saatavana tiheä ja erittäin tiheä jako.
- Enimmäislastuamissyvyys 6mm.
- Halkaisija alue 80-315mm.
- Valmistaja Diaedge
- z 28
- D 315
- Tyyppi 4
- D9 60
- L1 80
Yhteensopivat tuotteet
Tuotekoodi
Nimi
Pakkauskoko
Hinta

